當前位置: 滾珠絲桿網 ? 1510滾珠絲杠 ? DFV1510滾珠絲杠
DFV1510滾珠絲杠
雷研精密傳動設備有限公司供應DFV1510滾珠絲杠【貨源充足、價格合理、原裝正品、品牌齊全】滿足客戶的需求。請需要DFV1510滾珠絲桿的朋友聯系:黃志杰(經理)? 聯系電話:15802034588。
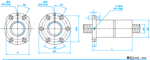
DFV1510滾珠絲桿參數
型號:DFV1510
絲桿外徑:15
導程:10
珠徑:3.175
螺母外徑:34
法蘭直徑:58
法蘭的厚度:10
螺母的長度:107
法蘭的寬度:34
珠圈數:2.7×1
動額定負荷:972
靜額定負荷:2020
剛性:30。
圖紙下載:DFV1510滾珠絲杠圖紙PDF
DFV1510滾珠絲杠驅動裝置
滾珠絲杠由一個回轉絲杠和一個可移動式滾珠螺母組成。滾珠螺母安裝在單元的托架上。滾珠螺母沒有標準螺紋,取而代之的是,滾珠在螺母內循環滾動,從而作為一個高效的滾珠軸承,沿 絲杠運動。提供有各種導程、直徑和公差等級的滾珠絲杠。公差等級(T3、T5、T7 或 T9)表示絲杠的導程公差。數字越小,公差越大滾珠絲杠驅動單元的典型特點是具有高負荷能力和高精確度。

皮帶驅動裝置
皮帶驅動裝置由安裝在托架上的齒形皮帶組成。皮帶在位于型材外殼兩端的兩個帶輪之間進行運轉。一個帶輪安裝在電機上,另一個則安裝在張緊裝置上。皮帶由經過鋼絲塑料制成。高速度 、長行程、低噪音以及低總重是皮帶驅動單元的典型特點。
瀏覽DFV1510滾珠絲桿的用戶還會?
SFU10020滾珠絲杠、SFU5020滾珠絲桿等。
滾珠絲杠討論①群263545937(專家在線為你解答)歡迎你的加入!
版權所有 © 轉載時必須以鏈接形式注明作者和原始出處!


